首页 >> 产品中心 >> 真空断路器系列

VS1(ZN63A-12)户内高压真空断路器2
信息概述:
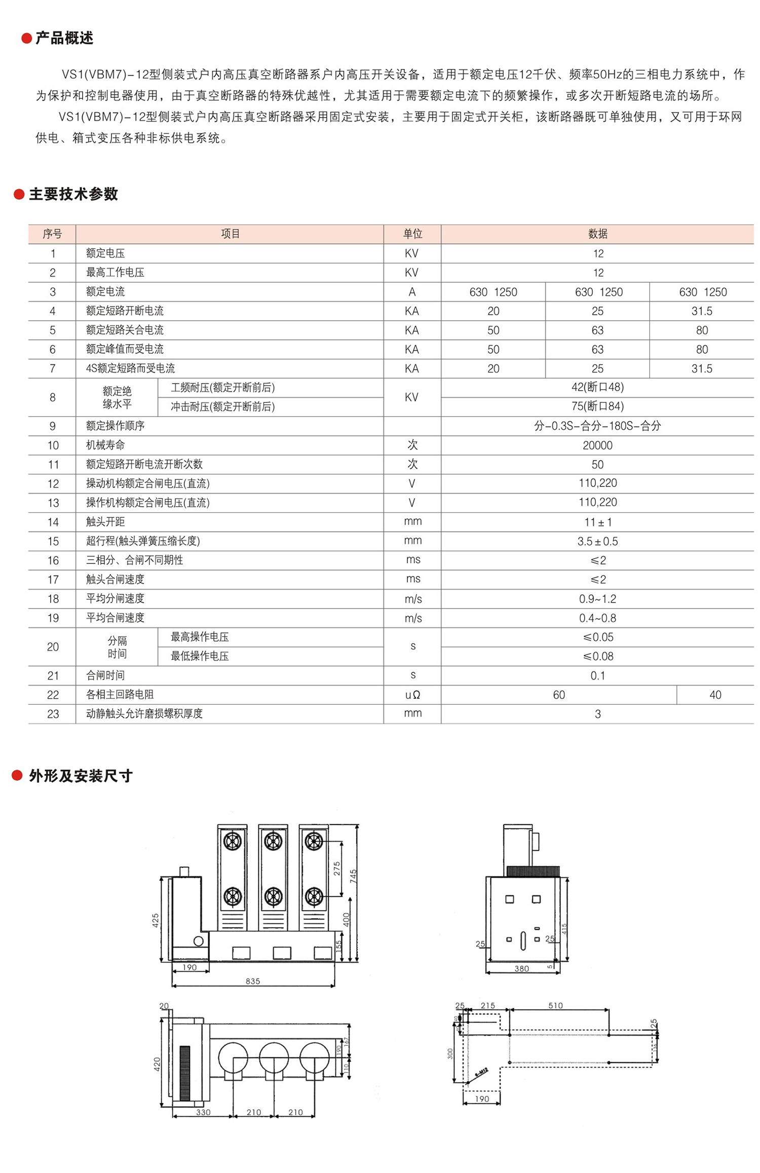
VS1(VBM7)-12型侧装式户内高压真空断路器系户内高压开关设备,适用于额定电压12千伏、频率50Hz的三相电力系统中,作为保护和控制电器使用,由于真空断路器的特殊优越性,尤其适用于需要额定电流下的频繁操作,或多次开断短路电流的场所。VS1(VBM7)-12型侧装式户内高压真空断路器采用固定式安装,主要用于固定式开关柜,该断路器既可单独使用,又可用于环网供电、箱式变压各种非标供电系统。
VS1(ZN63A-12)户内高压真空断路器2
产品介绍

1.jpg

186-5773-9556

(联系电话 7×24)